🔋 Conversor DC–DC Inversor com LM2576-ADJ: Gerando –12 V a partir de +16 V
Neste projeto, utilizamos o regulador chaveado LM2576-ADJ configurado em topologia inversora (buck–boost) para gerar –12 V DC a partir de uma entrada +16 V DC, com corrente de saída de até 500 mA.
⚙️ Princípio de funcionamento
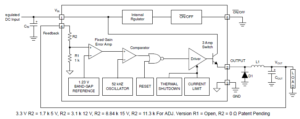
O LM2576 é um conversor step-down ajustável capaz de operar até 3 A. Quando configurado como inversor, ele cria uma tensão negativa em relação ao terra do sistema.
Durante o ciclo de chaveamento:
O transistor interno do LM2576 conduz, armazenando energia no indutor.
Quando o transistor desliga, o indutor libera energia através do diodo Schottky para o capacitor de saída — gerando uma tensão negativa (–Vout).
O circuito de realimentação mantém a tensão estável ajustando o duty cycle.
Dimensões

Diagrama em Bloco

Projeto Sugerido para Inversor

Projeto

⚡ Especificações do projeto
| Parâmetro | Valor |
|---|---|
| Tensão de entrada | +16 V DC |
| Tensão de saída | –12 V DC |
| Corrente de saída | 0,5 A |
| Frequência de chaveamento | 52 kHz |
| Eficiência estimada | ~80–85 % |
🧩 Componentes principais
| Componente | Valor / Modelo | Observação |
|---|---|---|
| U1 | LM2576S-ADJ | Regulador chaveado ajustável |
| L1 | 100 µH / ≥1 A | Indutor de potência, núcleo de ferrite |
| D1 | 1N5822 | Diodo Schottky, 3 A / 40 V |
| R1 | 8,66 kΩ | Define –12 V com R2 |
| R2 | 1 kΩ | Divisor de tensão de feedback |
| C_in | 470 µF / 25 V | Filtro de entrada |
| C_out | 1000 µF / 25 V | Filtro de saída (baixa ESR) |
| C_bypass | 100 nF | Desacoplamento próximo ao CI |
🔌 Conexões essenciais
Pinos 1 e 3 (VIN e GND) → ligados juntos ao +16 V.
Pino 2 (SW) → conecta ao indutor L1 e depois ao diodo D1.
Saída –12 V → ponto entre L1 e D1, em relação ao GND do sistema (Vin–).
Pino 5 (ON/OFF) → ligado ao GND do sistema para manter o circuito ativo.
Pino 4 (FB) → recebe o divisor de tensão formado por R1 e R2.
⚠️ Cuidados de projeto
O terra de entrada (Vin–) e o terra de saída (–12 V) não são o mesmo ponto.
Utilize trilhas curtas e largas para L1, D1 e C_out, minimizando o ruído de chaveamento.
Mantenha o C_in o mais próximo possível dos pinos de entrada do LM2576.
Dissipe o calor adequadamente — use dissipador no CI se a corrente for contínua.
📈 Resultado
O circuito fornece uma tensão –12 V estável, capaz de alimentar amplificadores operacionais, circuitos analógicos simétricos ou sistemas que exigem alimentação dual (+12 V / –12 V), com excelente eficiência e baixo ripple.

Deixe um comentário