📻 Como montar um receptor FM digital com ESP32
Você sabia que dá para transformar o seu ESP32 em um receptor de rádio FM digital?
Neste artigo mostro como, de forma simples e prática, você pode montar um rádio FM usando o ESP32 junto com o chip RDA5807M, muito usado em projetos de rádio estéreo por ser barato, pequeno e fácil de programar.


🔧 O que você vai precisar
ESP32 DevKit (qualquer versão serve).
Módulo receptor FM RDA5807M.
Fones de ouvido ou módulo amplificador PAM8403.
Fio de ±75 cm para servir como antena.
Protoboard e jumpers para as conexões.
📡 Como funciona?
O ESP32 não consegue demodular FM sozinho, pois não tem um front-end de rádio.
Por isso usamos o RDA5807M, que faz todo o trabalho pesado:
Recebe o sinal de rádio FM pela antena.
Faz a demodulação e gera áudio estéreo pronto.
O ESP32 controla via I²C (ajustando frequência, volume e até RDS (Radio Data System) ).
O áudio sai em saída analógica estéreo (LOUT e ROUT) e pode ser conectado a fones ou amplificador.
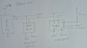
🔌 Ligações ESP32 ↔ RDA5807M
| ESP32 | RDA5807M |
|---|---|
| 3V3 | VCC |
| GND | GND |
| GPIO21 | SDA |
| GPIO22 | SCL |
| — | LOUT → saída de áudio (esquerda) |
| — | ROUT → saída de áudio (direita) |
| — | ANT → fio de ±75 cm como antena |
⚠️ Importante: ligue o RDA5807M sempre em 3.3V, nunca em 5V.
Pinagem do RDA5807

💻 Código exemplo (Arduino IDE)
Para controlar o rádio, você deve usar a biblioteca RDA5807M Arduino na IDE para Arduino.
Depois de instalar, use o seguinte código básico:
🔊 Como ouvir
Para fones de ouvido: conecte LOUT e ROUT direto nos fones (colocar resistores de 100Ω em série ajuda a proteger).
Para alto-falantes: use um amplificador de áudio (exemplo: PAM8403).
Não esqueça da antena de fio: sem ela a recepção será fraca.
🎯 Conclusão
Com apenas um ESP32, um módulo RDA5807M e alguns fios, você consegue montar seu próprio rádio FM digital controlado por software.
Esse projeto é ótimo para aprender sobre comunicação I²C, integração de módulos de rádio e até criar interfaces interativas no display para escolher estações.
👉 Próximos passos que você pode explorar:
Adicionar um display OLED para mostrar a frequência.
Implementar botões físicos para trocar de estação.
Ler e exibir RDS (nome da rádio, músicas, etc.).
📻 O que é RDS?
O RDS (Radio Data System) é um recurso presente em muitas estações de rádio FM.
Ele transmite informações digitais junto com o áudio, como:
📌 Nome da rádio (ex: “Rádio Rock 89”).
🎶 Nome da música ou artista que está tocando.
📰 Mensagens curtas enviadas pela emissora.
⏰ Informações de hora e tráfego (em alguns casos).
O módulo RDA5807M suporta a leitura de dados RDS.

Deixe um comentário